超纯水机 pro系列

全新赛多利斯arium? pro 超纯水系统,,,,生产一级超纯水,,,,切合要害应用与通例应用的要求。。。。。。。
产品形貌
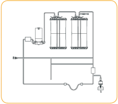
1.纯化柱组合,,,,制备超纯水
在超纯水系统中纯化柱组合包括一个预纯化柱和一个精纯化柱。。。。。。。接纳先进的全下垂流纯化方法,,,,有用避免树脂分层,,,,包管柱效。。。。。。。
– 含有高品质的颗粒状、活性催化的活性碳。。。。。。。
– 含高效混淆床离子交流树脂,,,,填量高达4.6升
– 在行业中具有很高的离子交流能力,,,,降低使用本钱
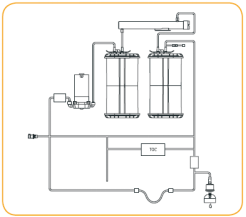
2.双波长紫外灯 (185 | 254 nm)
用于去除有机物质
紫外灯,,,,可靠去除有机物质(TOC或有机碳总量)有用避免细菌生长。。。。。。。TOC可通过选配的自力??????門OC检测仪检测,,,,实时监测产水TOC 含量,,,,切合USP 643标准。。。。。。。
3.超滤柱
有用去除生物大分子
超滤柱可疏散细菌内毒素、热原、DNA和RNA、DNase和RNase,,,,中空纤维切向流超滤手艺,,,,截留分子量5,000Da,,,,具有自动冲洗功效,,,,寿命可长达5年。。。。。。。
4.无菌终端过滤器 Sartopore? 2 150囊式膜过滤器/终端超滤柱
Sartopore? 2 150 膜过滤器终端去除颗粒物和细菌,,,,其稳固的流速令人印象深刻。。。。。。。有用过滤面积达150cm2,,,,0.45+0.2μm双层聚醚砜确保微生物的截留,,,,切合无菌过滤的HIMA和ASTM划定,,,,尤其适用于要害应用。。。。。。。
CellPlus终端超滤柱去除内毒素、热源、RNase/DNase等有机污染物,,,,及颗粒杂质,,,,同事可坚持高通量和高流速;;;;无菌包装,,,,工艺切合DIN ISO9001、ISO11135、ISO10993-7等划定。。。。。。。
5.操作面板
新开发的操作面板,,,,具有玻璃界面和触摸屏功效,,,,集成文本支持,,,,使用利便。。。。。。。所有须要信息可以连忙获取。。。。。。。PIN密码控制,,,,可将基础设置权限限制给几个授权用户,,,,彩色报警和系统信息为装备的一样平常处置惩罚提供现代化的便当。。。。。。。
6.取水
手动,,,,定量、准时
显示屏上的滑块可以一连手动取水,,,,流速可以在0.1 至2 L/min 之间自由调理。。。。。。。定量与准时取水利便地准确配合,,,,阻止期待取水。。。。。。。
7.电导率监测
在进水和出水端均配有电导率检测仪,,,,电极常数0.01cm-1,,,,温度迅速度0.1℃,,,,有用监控水质并;;;;ご炕,,,,避免纯化柱过快消耗。。。。。。??????赏毕允疚露扰獬ズ蟮牡绲悸屎退。。。。。。。
8.通讯接口,,,,用于数据存储
多种通讯接口,,,,用于数据存储;;;;尤其能通过SD卡存储长达5年水质数据。。。。。。;;;;咕哂醒∠睿菏葑镏链蛴』蛲ü齊S-232串行接口毗连至PC。。。。。。。
产品应用
全新的arium? pro 系列包括五种差别型号,,,,可知足差别客户的需求。。。。。。。提供您需要的水质,,,,用于种种剖析

arium? pro DI
arium? pro DI基本型包括纯化柱组合,,,,以及无菌过滤器。。。。。。。纯化柱组合应凭证进水水质和预期应用举行选择,,,,包括预纯化柱及精纯化住。。。。。。。所有纯化柱均接纳赛多利斯手艺,,,,生产的超纯水凌驾美国ASTM 一级试剂水标准。。。。。。。
应用:
– 缓冲液和作育基制备 – 玻璃器皿洗濯
– 试剂生产 – 无机剖析:IC, AAS, ICP, ICP-MS

arium? pro UV (TOC 监测可选)
除了纯化柱,,,,arium? UV 还备有185 | 254 nm的双波长紫外灯,,,,可靠地去除有机物质(TOC)。。。。。。。与此同时,,,,紫外线还能灭活微生物,,,,以爆发无菌的超纯水。。。。。。。
应用:
– 色谱 – 光度测定
– 标准高效液相色谱(HPLC、HPLC) – 试剂生产
– 微量元素剖析 – 质谱

arium? pro UF
arium? UF 包括一个超滤柱,,,,用于去除内毒素、热源、DNA和RNA、RNase和DNase。。。。。。。使用截留分子量为5000D(5 kDa)的超滤膜,,,,从水中去除大分子,,,,使水中内毒素抵达< 0.001EU/ml,,,,RNases<0.004ng/ml,,,,DNases< 0.024pg/μl。。。。。。。
应用:
– 细胞作育
– DNA 序列剖析
– 试管婴儿( 体外受精)
– 一样平常生化应用
– PCR

arium? pro VF ( 可选 TOC 监测)
arium? VF 同时应用了紫外灯和超滤柱,,,,生产切合苛刻标准的水,,,,用于要害应用,,,,如细胞作育以及色谱剖析。。。。。。。
应用:
– 色谱 – 细胞作育
– 电泳 – RNA|DNA 纯化
– 高效液相色谱HPLC – 试剂生产
– 体外受精IVF – PCR
– 分子生物学 – 其他机型所有应用
arium? pro系列参数
产水质量 | Pro | Pro DI | Pro UV | Pro UF | Pro VF |
电阻率(MΩ×cm): | 18.2 | 18.2 | 18.2 | 18.2 | 18.2 |
电导率(Us/cm): | 0.055 | 0.055 | 0.055 | 0.055 | 0.055 |
TOC含量(ppb): | ≤5 | ≤5 | 1-2 | ≤5 | 1-2 |
内毒素含量: | N/A | N/A | N/A | <0.001EU/ml | <0.001EU/ml |
RNase及DNase含量: | N/A | N/A | N/A | RNases:<0.004ng/ml DNases:<0.024pg/ul | RNases:<0.004ng/ml DNases:<0.024pg/ul |
颗粒物质(@0.2um): | <1/ml | <1/ml | <1/ml | <1/ml | <1/ml |
细菌(CFU/1000ml): | <1 | <1 | <1 | <1 | <1 |
出水流速(L/min): | 2 | 2 | 2 | 2 | 2 |
系统空载重量 | 17kg | 17kg | 18kg | 18kg | 18kg |
系统满载重量 | 27kg | 27kg | 28kg | 28kg | 28kg |
系统满载重量(带集成TOC监测器) | N/A | N/A | 29kg | N/A | 29kg |
arium? pro系列设置
功效/装备 | Pro | Pro DI | Pro UV | Pro UF | Pro VF |
手动取水(通过游标调理) | ü | ü | ü | ü | ü |
定量取水 | ü | ü | ü | ü | |
准时取水 | ü | ü | ü | ü | ü |
进水电导率监测 | ü | ü | ü | ü | |
取水显示 | ü | ü | ü | ü | |
温度监测 | ü | ü | ü | ü | ü |
Ethernet | ü | ü | ü | ü | |
数据通过打印机(可。。。。。。。┍阜 | ü | ü | ü | ü | ü |
数据在SD卡上备份 | ü | ü | ü | ü | |
远程取水毗连 | ü | ü | ü | ü | |
消毒端口 | ü | ü | ü | ü | |
排水口 | ü | ü | ü | ü | |
UV灯 | ü | ü | |||
超滤柱 | ü | ü |
